恒行(中国)
Home
关于我们
about us
恒行3官网登录中心
News
治理方案
Treatment plan
工程案例
Case witness
联系我们
Contact Us
恒行(中国)
关于我们
恒行3官网登录中心
治理方案
工程案例
联系我们
geyin
News center
恒行3官网登录中心
技术交流
行业标准
公司恒行3官网登录
恒行(中国)
>
恒行3官网登录中心
>
公司恒行3官网登录
>
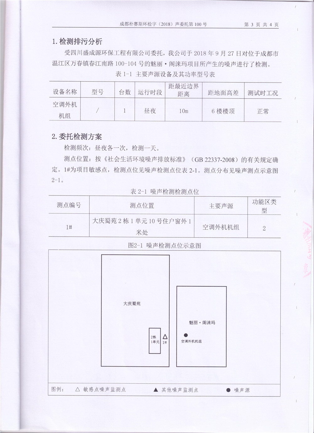
温江魅丽·阁涞玛国际母婴健康中心降噪工程顺利通过噪音检测
发布者:
四川盛成源环保
发布时间:2019-06-10
文章已被: 人查看
上一篇:
四川师范大学校长一行视察化学楼降噪工程
下一篇:
润扬·双铁广场降噪工程顺利通过噪音检测
恒行3官网登录中心
欧冠买球网址
|
ag官方登录
|
欧博首页-官方网站
|
球速手机官方网站入口
|
亚搏在线
|
亚投登录大厅
|
火狐入口
|
江南电子官网
|
云博首页
|